欢迎访问~上海弘泱机械科技,我们是一体化泵站,HMPP泵站,智能分流井,雨污截流井,高标准农田灌溉泵房,一体化智慧泵房,供水泵房生产厂家,支持定制!

上海弘泱科技

021-5785 6538

弘泱热门产品

联系方式
上海弘泱机械科技有限公司
上海弘泱机械科技有限公司
上海市金山区枫泾镇钱明东路915号
报价咨询宋经理(180 1946 3827)

推荐产品

服务热线
021-5785 6538
在线咨询

污水处理一体化泵站

发布时间:2023-10-24 来源:上海弘泱机械科技有限公司

污水处理一体化泵站是一种集成了各种处理设备和泵站功能的综合性设施,用于将城市或工业区域产生的废水进行处理和排放。这种设备的设计和运行具有高度的效率和可持续性,能够有效处理和净化污水,同时节省空间和资源。以下是关于污水处理一体化泵站的详细介绍,包括其组成、工作原理、优点以及应用领域。

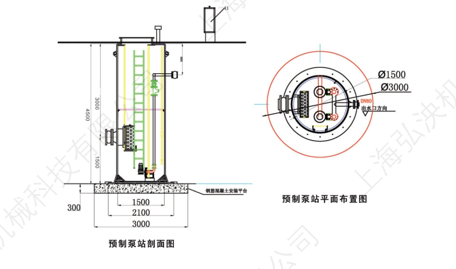
污水处理一体化泵站

污水处理一体化泵站的组成:

进水口:用于接收污水并将其引入泵站。

格栅过滤器:用于去除大颗粒的固体废物和杂质,以防止堵塞后续处理设备。

提升泵:将污水抽送到处理装置,以提供足够的水压力。

初级沉淀池:在这个阶段,污水开始分离成固体和液体部分,其中固体沉淀到底部。

生化处理装置:通常采用活性污泥法或生物滤池,用于去除有机物和氮、磷等污染物。

二次沉淀池:进一步分离残留的悬浮物,以确保出水质量。

消毒单元:常使用氯或紫外线辐射来杀灭细菌和病原体。

出水口:将经过处理的清洁水排放到水体或环境中。

污水处理一体化泵站刨面图

污水处理一体化泵站工作原理:

污水进入泵站并通过格栅过滤器去除大颗粒物质。

提升泵将污水提升到处理单元,如初级沉淀池。

在初级沉淀池中,污水开始分离成液体和固体部分,固体沉积在底部。

生化处理单元利用微生物降解有机物,减少水中的污染物浓度。

污水再次进入沉淀池,进行进一步的分离。

消毒单元杀灭潜在的病原体。

清洁的水最终通过出水口排放。

污水处理一体化泵站的优点:

节省空间:由于多个处理单元集成在一起,所以需要的土地面积相对较小。

高效处理:各种处理单元协同工作,确保高效的废水净化。

自动化控制:可以采用自动化控制系统,降低操作成本和人工干预。

环保:能够有效减少废水对自然环境的不良影响。

适应性强:适用于不同规模的城市和工业应用。

污水处理一体化泵站应用领域:

城市污水处理:主要用于城市废水的处理和排放,确保城市环境卫生和健康。

工业废水处理:在工业园区和生产设施中用于处理工业废水,以满足环保法规。

农村地区:可以在偏远地区提供基本的污水处理设施,改善当地环境。

临时工程:一体化泵站也可以用于临时或应急工程,如建筑工地或露天活动。

污水处理一体化泵站应用案例图片

总之,污水处理一体化泵站是一种高效、可持续和环保的污水处理解决方案,广泛应用于城市和工业领域,以确保废水得到有效处理和清洁排放。

本文标题:污水处理一体化泵站
责任编辑:弘泱机械科技编辑部
本文链接://m.tuzih.com/xwzx/hydt/6970.html 转载请注明出处

Baidu
map