欢迎访问~上海弘泱机械科技,我们是一体化泵站,HMPP泵站,智能分流井,雨污截流井,高标准农田灌溉泵房,一体化智慧泵房,供水泵房生产厂家,支持定制!

上海弘泱科技

021-5785 6538

弘泱热门产品

联系方式
上海弘泱机械科技有限公司
上海弘泱机械科技有限公司
上海市金山区枫泾镇钱明东路915号
报价咨询宋经理(180 1946 3827)

推荐产品

服务热线
021-5785 6538
在线咨询

污水泵站的工艺设计注意事项

发布时间:2023-11-09 来源:上海弘泱机械科技有限公司

随着城市化进程的加快,人们对环境保护的意识也越来越高。在污水处理方面,污水泵站是不可或缺的一个环节。而污水泵站的工艺设计是保证其正常运行的关键。那么,在设计污水泵站的工艺时需要注意哪些事项呢?下面,我们就来一起了解一下。

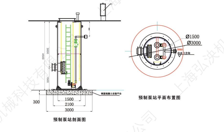
污水泵站

1.选用合适的材料

材料的选择对污水泵站的制作工艺至关重要。在选择材料时需要考虑耐腐蚀性、耐磨性等因素,并根据实际情况进行选择。同时,还需要考虑材料的强度和刚度等性能指标。

2.合理设计结构

在污水泵站的工艺设计中,合理的结构设计也是至关重要的。例如,要考虑管道的坡度、连接方式等因素,以确保泵站的水流畅通。此外,还需根据泵站的实际情况进行合理的布局设计,以提高泵站的效率。

3.注重细节处理

在污水泵站的工艺设计中,细节处理也是非常重要的。例如,要注意管道的接口质量,避免出现漏水等问题;还要注重管道的支撑方式,以保证其稳定性。此外,在泵站内还应设置必要的安全设施和警示标志,以保障工作人员的安全。

4.考虑环保因素

在污水泵站的工艺设计中,还需要充分考虑环保因素。例如,要选择合适的处理方式,减少对环境的污染。同时,还需注意节能降耗,提高能源利用效率。

污水泵站

以上就是关于污水泵站的工艺设计注意事项的介绍。通过合理的材料选择、合理的结构设计、注重细节处理以及考虑环保因素等方面的设计,可以提高污水泵站的效率和稳定性,为城市的环保事业做出更大的贡献。

本文标题:污水泵站的工艺设计注意事项
责任编辑:弘泱机械科技编辑部
本文链接://m.tuzih.com/xwzx/hydt/7034.html 转载请注明出处

Baidu
map